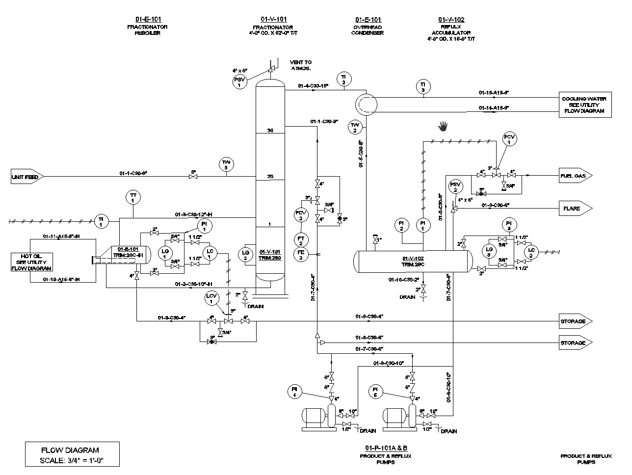
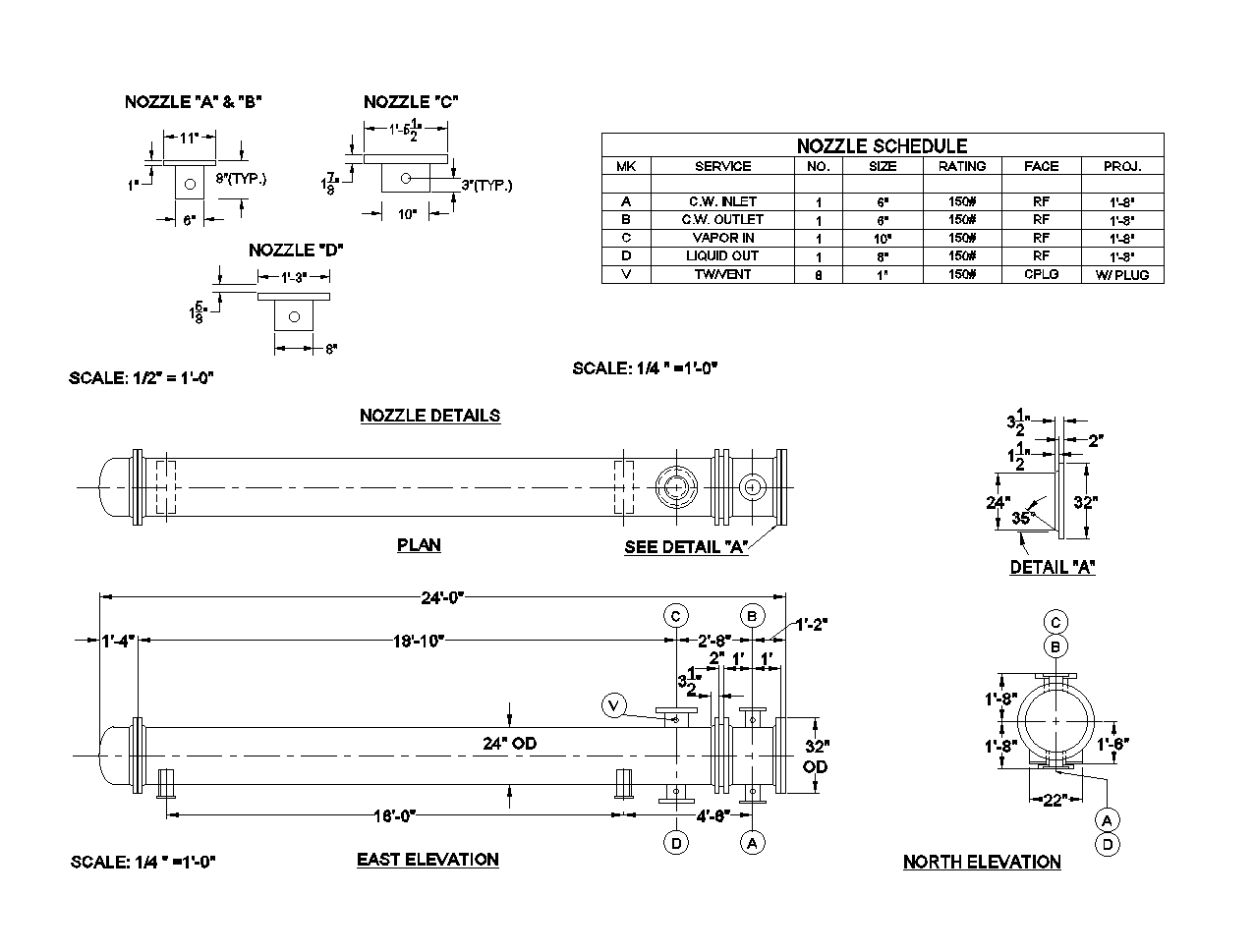
PLUMBING AND MECHANICAL

In this section, I am showcasing various assignments I completed in my Mechanical and Piping classes using CAD. These assignments involved designing and creating detailed drawings for mechanical systems, including piping layouts, mechanical components, and system configurations. Each project reflects my ability to apply technical knowledge in creating precise and functional designs.

Previous
Previous

M.E.P.